230 фото, чертежей и схем
кровать из профильной трубы фото
Если вам нравятся прочные, надежные вещи и вы поклонник стиля лофт, то эта информация для вас. Здесь вы узнаете, как сделать кровать из профильной трубы, правда, всего три примера, зато очень ярких и с очень подробными пошаговыми фото. Мы выбрали три варианта, с которыми справится даже начинающий мастер, правда, при наличии сварочного аппарата. У нас есть чертежи кровати из профильной трубы и небольшая подборка фото для вдохновения, в каждом из мастер классов ссылка на источник, если вам понадобится инструкция в полном объеме. Каркасы кровати из профильной трубы, это отличный выбор, а если у вас есть возможность сделать кровать из профильной трубы своими руками, то и значительная экономия.
Металлический каркас кровати из профильной трубы
Если у вас есть сварка, этот проект не проблема.
Все сложные проекты начинаются с дизайна в Fusion 360. Здесь выбрали стальную раму из труб с фанерой, чтобы заполнить заднюю и боковые стороны. Рама сделана из стальных труб квадратного сечения 25 мм. Сложность при изготовлении
Чтобы подготовить металл к сварке, обработайте все края и стороны болгаркой.
Перед тем, как начинать варить, проверьте настройки на куске металла. Проверив прямоугольность, сварите все стыки, убедившись, что стороны поменяли местами, чтобы учесть деформацию металла от тепла.
Вся нижняя часть будет прикреплена угловыми скобами, которые будут приварены снизу и затем прикручены к раме. Для изготовления кронштейна автор использовал приклад шириной 25 мм и толщиной 3 мм. Две части были вырезаны и сварены вместе под углом 90 градусов, чтобы получился простой кронштейн, который мог бы прикрепить переднюю часть рамы к двум ножкам.
К нижней раме крепятся 4 опоры. Это должно быть сделано с учетом того, как матрас будет располагаться сверху. Опоры крепятся к задней раме с помощью другого кронштейна.
Большую часть кровати из профильной трубы занимают простые прямоугольные вставки из фанеры.
Чтобы прикрепить деревянные вставки к раме, используйте уголки, обрезанные примерно на сантиметр. Затем вы сможете закрутить шуруп в дерево через металлическую опору.
Очистите и покрасьте раму. Чтобы подготовить раму к краске, сначала используйте ацетон, чтобы смыть жир. Затем нанесите самопротравливающую грунтовку по всей раме перед тем, как нанести несколько слоев черной эмалевой краски из баллончика.
Несмотря на то, что двойной матрас имеет встроенную опору и пружину, вы можете видеть, как легко протолкнуть его между опорами.
Не забудьте добавить больше опор!Вот и все, это она, кровать из профильной трубы.
Источник фото: www.
instructables.com/DIY-Metal-Bed-Frame/
Как сделать кровать из профильной трубы своими руками
В этом руководстве показано, как сделать кровать из профильных труб 3х3 см размера «king-size» и ДСП в качестве основания. Проект относительно не сложный и вполне по силам даже начинающим сварщикам. Планы кровати разработаны с помощью программы Sketchup. На сайте есть ссылка, где можете скачать все чертежи.
Чтобы сделать опоры, сначала очистите трубы от масляного покрытия, сделайте разметку и обрежьте болгаркой детали необходимого размера. Зачистите края ленточной шлифовальной машинкой, а затем, чтобы подготовить к сварке металлической щеткой. Самый простой способ соединения частей, а также крепления опорной базы к раме, это использование монтажных кронштейнов с отверстиями под болты M6. Длинные опоры точно такие же, как и короткие, но охватывают всю внутреннюю ширину кровати. Сначала необходимо отрезать их по длине, зачистить концы и сварить так же, как и короткие опоры.
Чтобы можно было соединить основание, разметьте и просверлите отверстия в длинных опорных элементах по центру, как показано на фото. Это нужно, чтобы минимизировать количество необходимого материала, при этом равномерно распределяя вес. Все отверстия сначала просверливались сверлом на 3 мм, а затем увеличивались до 6,5 мм. Затем к длинным опорам необходимо добавить по две ножки. Их делают, сначала отрезая до нужной длины, очищая края проволочным диском. Ножки устанавливаются на 1/3 длины с каждой стороны. Сначала установите их в назначенное место и держите с помощью сварочных магнитов.
Затем прихватите по углам сваркой. Когда ножка прикреплена, надежно приварите со всех сторон. Чтобы защитить металл от ржавчины, сначала нанесите слой грунтовки на все детали, а затем слой краски. Когда высохнет, поставьте пластиковые заглушки. Изголовье и прикроватные тумбочки сделаны из меламина толщиной 16 мм. Чтобы увеличить прочность конструкции, стороны и передняя часть сделаны из двойных листов.
Боковые части крепятся угловыми кронштейнами, так будет проще разобрать кровать, если в этом возникнет необходимость. Для этого вам нужно отметить и просверлить отверстия под шурупы и прикрутить.
Еще сделайте подпорки из ДСП и прикрепите к ножкам, это на всякий случай, чтобы кровать не качалась. Теперь наклоните кровать из профильных труб в правильное положение и соберите детали для опорной базы. Используйте болты и гайки M6, а также добавьте шайбы с каждой стороны болта. Сначала затяните вручную, а затем с помощью гаечного ключа, чтобы выровнять и закрепить на месте.
Прежде чем крепить каркас к основанию, проверьте, что стороны перпендикулярны изголовью и совмещены с монтажными пластинами на основании. Прикрепите переднюю часть рамы к ножкам спереди, а затем используйте 16-миллиметровые шурупы для ДСП, чтобы прикрепить металлическое основание к боковой раме через монтажные пластины на конце.
Прежде положить матрас, добавьте две доски ДСП с отверстиями для вентиляции поверх каркаса, чтобы матрас можно было поддерживать на большей поверхности.
В конечном итоге это должно предотвратить появление плесени и сохранить матрас красивым и сухим. Теперь кровать из профильных труб
Если вам больше нравятся видеоинструкции, вы можете увидеть весь процесс на сайте автора проекта, ссылка под галереей.
Источник фото: www.
instructables.com/DIY-King-Size-Bed/
Складная кровать из профильной трубы
Перенимаем творчество индийских мастеров. Эта складная кровать из профильной трубы, а точнее сказать раскладушка. В принципе, похожу на нашу знаменитую раскладушку из советских времен, если кто помнит, конечно, только форма другая. В общем, идея простая, каркас из профильных труб, а между ними полотно из текстильных строп.
Причина создания двусторонней рамы в том, что она обеспечит прочность, а также защитит от износа. Но следует позаботиться о том, чтобы если вы долгое время держали эти кровати под прямыми солнечными лучами лета, они полностью изношены, независимо от того, используете вы их или нет. Поэтому после вырезания внутренней части рамы сделайте зазор в 5 мм с обеих сторон, а затем вырежьте части из профильной трубы 1×2. Есть несколько вещей, которые могут создать проблемы из-за ножек.
Если крепить ноги в вертикальном положении, то кто-то сядет и попытается изменить свое положение, ноги могут сложится, что может привести к травме.
Таким образом, единственный способ избежать этого — сделать ноги под углом, чтобы они не могли вернуться в исходное положение, если кто-то сидит на раскладушке. Итак, есть простая формула: наклонная высота ног не превышает 1⁄4 общей длины кровати. Эта формула основана на условии, что если вы крепите ноги на расстоянии 45 см с обоих концов, и если сложить их внутрь, они не касаются друг друга.
Теперь к делу. Перед началом любого сварочного проекта снятие фаски является основной частью подготовки и помогает обеспечить прочное соединение. Чтобы сварить ровные углы, автор использовал диагональный метод для прямоугольной формы. После этого сделал несколько прихваток и приступил к сварке каркаса. Затем, чтобы обеспечить равный зазор для второй рамы, возьмите несколько кусков прутка толщиной 5 мм.
Приварите с фиксированными интервалами, чтобы обеспечить равное пространство между внутренней и внешней рамой. Затем отшлифуйте сварные швы. Потом приварите вторую трубу по периметру внутреннего каркаса.
Затем просто скрепите внешние детали вместе с рамой и начинайте сварку.
Средняя распорка является важной частью обеспечения жесткости всей конструкции. Размер средней распорки не играет важной роли, поэтому вы можете выбрать любой дизайн, который хотите, но нужно иметь в виду, что расстояние от верха кровати до нижней части структуры составляет от 12 до 15 см. В данном случае использовали расстояние в 12 см. Изготовление распорки, довольно простой процесс.
Прежде всего, необходимо отметить центр на длинной трубе. После этого отметьте расстояние, на котором вам нужна скоба сверху. После этого измерьте диагональное расстояние от длинной трубы до точки, которую отметили на боковом стволе. Теперь отрежьте эту часть, чтобы можно было сварить.
Ноги. Эта часть немного сложная, потому что в процессе резки остаются небольшие кусочки, которые являются небольшими участками в ногах. Для этой кровати автор решил сохранить высоту приблизительно 45 см, и сделать изогнутые ножки.
Поэтому вырезал два разных куска, один 38 см в длину, а другой 18 см. Затем нужно сделать маркировку, то есть отметить обе стороны. Для этого лучше всего изготовить шаблон, который упростит работу. Теперь шаблон — ваш главный ключ. Маркировка с обеих сторон не требуется, если у вас ленточная пила по металлу. Если тапкой нет, используйте болгарку.
Монтажный кронштейн для ног. После того, как ножки сделаны, понадобится кронштейн, на который нужно будет их установить. Для этого автор использовал конструкцию из трех частей. Средняя часть немного больше толщины трубы, которая составляет приблизительно 25 мм. Так что эту трубу можно легко перемещать внутри U-образного кронштейна. После того, как сделали кронштейн, отметьте место,
Это должно быть примерно на 1⁄4 общей длины кровати от концов. Когда делаете отметку для крепления кронштейна, вы должны измерять 1⁄4 4 части всей длины от ближайшего конца. После разметки сделайте прихваточный шов и проверьте положение.
Если все нормально, приварите окончательно. Средняя часть кронштейна должна быть обращена к ближайшему концу. Изображение намного лучше проясняет то, о чем идет речь.
Чтобы сделать опоры поворота, вам понадобятся две вещи: закругленный конец и точка поворота. Сначала с помощью круглой трубы 5 см сделайте полукруг на конце, а затем обрежьте болгаркой. Обязательно отметьте расположение отверстия, прежде чем делать закругленный край. Затем просверлите отверстие в отмеченном месте и приварите кусок круглого стержня внутри.
Соедините ноги. Чтобы прикрепить ножки, сначала зажмите с помощью кронштейна и установите на требуемую высоту. Чтобы установить ножки в кронштейн, измерьте точку на кронштейне, которая находится на расстоянии 3⁄4 дюйма с обеих сторон, а затем просверлите отверстие, чтобы создать точку поворота. Затем установите ножки по паре для каждой стороны, чтобы при вращении обе ножки вращались одновременно.
Крепление пружины. Пружина помогает предотвратить смещение ног наружу или внутрь, так как держит их в напряжении.
Правильный способ установки состоит в том, чтобы точка удержания, лежащая на кровати, оставалась далеко от центра. По центру ставим ту, что на ногу. Затем напряжение поддерживается в соответствии с используемой пружиной. Чем больше напряжение, тем больше жесткость. Но автор настоятельно рекомендует держать напряжение на высоком уровне, поэтому автор установил их на все 4 стороны ножек.
Покраска. После этого нанесите два слоя краски черного цвета по всей поверхности. Если немного разбавить краску, то она лучше ложится и затвердеет намного быстрее. Для масляных красок используйте скипидар, чтобы немного разбавить, в соотношение 4: 1 (4 части краски и 1 часть масла).
Дальше идет самая сложная часть, плетение полотна. Если серьезно хотите освоить этот процесс, подробную инструкцию вам лучше прочитать на сайте, а то она очень длинная и подробная. Ссылка на первоисточник ниже под галереей, где можно посмотреть и видео. В целом, эта кровать из профильной трубы весом 20 кг способна выдержать вес приблизительно 220 кг, так что есть смысл заняться этим проектом.
Источник фото: www.
instructables.com/Space-Saving-Foldable-Bed/?linkId=80046390
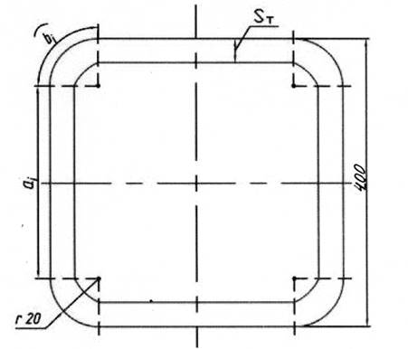
Чертежи кроватей из профильной трубы
Кровать из профильной трубы, это проект не на пять минут, поэтому надо хорошо подготовиться и все продумать. Без чертежа за изготовление кровати из профильной трубы своими руками лучше не браться. Надеемся, что наша подборка чертежей и схем кроватей вам пригодится.
Кровать из профильной трубы фото
Кровать, как правило, основная мебель спальни, поэтому выбранный вами дизайн задаст тон декору интерьера.
Если предпочитаете стиль лофт, сделайте кровать из профильной трубы с прямыми линиями и геометрическими деталями. Посмотрите эти фото в галерее, чтобы выбрать стиль для своей спальни. Одно из ключевых преимуществ каркаса кровати из профильной трубы — низкие эксплуатационные расходы. Во-первых, на металл не действуют насекомые и вредители. Во-вторых, они не так подвержены возгоранию, как деревянная кровать. Очистить конструкцию настолько просто, насколько это возможно. Вам нужно только протереть влажной тканью, и все готово. Еще одна причина, по которой металл является одним из лучших видов каркасов кроватей, это универсальность. Любите ли вы современный или винтажный дизайн, вы можете сделать кровать из профильной трубы в соответствии с вашими предпочтениями. Точно так же можно сделать варианты с красивыми изголовьями и изножьем. Каркас из профильной трубы имеет прочную конструкцию, который прослужит вам долго. Вы можете сделать кровать на колесиках для облегчения передвижения.
Кроме того, можете сделать металлическую кровать, которую легко разобрать, если нужно будет перемещать в другое место.
Другие материалы в этой категории: « Кровать из металла своими руками: 320 фото, чертежей и схем Как сделать кровать с ящиками: 300 фото, чертежей и схем »
Чертеж с деталировкой и 3D модель конструкции из профильной трубы • freelance job for a specialist • category 3D modeling ≡ Client Aleksandr Lyubarets
date online rating cost time to complete
proposal concealed by freelancer
freelancer isn’t working in the service any longer
36″ data-days=»1″ data-lastactivity=»1645660800″>2 days200 UAH
2 days200 UAH
Добрый день, сделаю!
Без предоплаты
Солид воркс, чертежи в пдф, автокад, компас1 day500 UAH
1 day500 UAH
Виконаю в програмi Autodesk Revit, файл моделі 3D, креслення та специфікацію!
3 days1200 UAH
3 days1200 UAH
Здравствуйте!
▶ Эксперт по ваянию чертежей с деталировкой и 3D моделями конструкций из профильной трубы!
✔ Моделирование, чертежи — САПР SolidWorks;
✔ Визуализация (опционально) — KeyShot/VRay.
⚠ Опыт разработки всяких-разных конструкций из труб и листового металла!
———————
☀ Портфолио — Freelancehunt1 day500 UAH
1 day500 UAH
Здравствуйте, Александр.
Готов выполнить Ваш проект.
Работаю в AutoCad. 3д модель могу выполнить как в автокаде, так и в 3dMax если она нужна Вам для визуализации.
Пишите, все обсудим:)2 days500 UAH
2 days500 UAH
Здравствуйте.Выполню с лёгкостью.Буду рад сотрудничеству.
Срок 2 дня.1 day500 UAH
1 day500 UAH
Здравствуйте Александр могу выполнить ваш проект
Работаю в Компас V12, 3ds Max 2016 04″ data-days=»1″ data-lastactivity=»1645660800″>1 day1000 RUB
1 day1000 RUB
Готов взяться, 3д-модель ради интереса уже сделал. Работаю в Компас 3D, можно импортировать в другие форматы. Хороший опыт проектирования металлоконструкций и оборудования
2 days500 UAH
2 days500 UAH
Здравствуйте!
Готов выполнить данную модель с текстурами. Обращайтесь.2 days500 RUB
2 days500 RUB
Здравствуйте.
Моё портфолио https://newstclif.wixsite.com/mysite-2
Выполню в компас 3д, экспортирую в удобный формат.
На выходе будет 3д модель+сборочный чертеж+деталировочные чертежи.5 days1200 RUB
5 days1200 RUB
Выполню, имею портфолио подобных работ, публикация помимо чертежей еше и в форматы HTML можно открывать браузером и вращать и приближать, образец почтой serg121121gmail.com
3 days300 UAH
3 days300 UAH
Если нужен чертеж, что бы понятно было другим, но не с соблюдением всех правил чертежа, могу сделать в иллюстраторе, 3д модель в блендере. Пишите. Обсудим.
1 day1200 RUB
1 day1200 RUB
Готов выполнить ваш проект. Сделаю качественно, учту все пожелания. Оформление по ЕСКД.
1 day200 UAH
1 day200 UAH
Здравствуйте, готов работать качественно и за небольшую оплату так как хочу наработать хорошие отзывы — а это значит, что я буду выкладываться на 1000%
То, что у меня нет отзывов, не значит, что я новичек. Есть опыт работы в архитектурном бюро, и даже реализованные проекты, чертежи и схемы.2 days1111 RUB
2 days1111 RUB
Здравствуйте!
Могу сделать модель и деталировочные чертежи КМД в Текла или автокаде.
1 day200 UAH
1 day200 UAH
Добрый день. Заинтерисовало Ваше предложение. Могу его выполнить в Solidworks. По окончанию Вы получите все исходные файлы. Файл модели, чертёж в солидворксе, рендер модели, чертёж в пдф и картинкой.
2 days500 RUB
2 days500 RUB
Добрый день. Готов выполнить чертежи, 3Д модель в Автокад. Если будем работать постоянно, сделаю скидку по цене.
2 days500 UAH
2 days500 UAH
Добрый день.
Готов взяться. Работаю в Tekla Structures, AutoCAD. Чертежи, узлы, спецификации готов предоставить. 1 day400 UAH
1 day400 UAH
Александр, Здравствуйте! Сделаю все на высшем уровне.
Инженер-конструктор с опытом работы 5 лет.
Профессиональные навыки и умения:
— Проектирование изделий из композитных материалов, изделий из пластика, изделий из листового материала;
— Опыт в области проектирования, сертификации, разработки конструкторской, технической и эксплуатационной документации;
— Знание программ: CATIA, SolidWorks, AutoCAD.1 day200 UAH
1 day200 UAH
Добрый день, Александр!
Готов выполнить ваш заказ inventor в кратчайшие сроки с полной деталировкой и спецификацией!1 day1000 UAH
1 day1000 UAH
Здравствуйте.
Предлагаю Вам свои услуги по моделированию и визуализации. Работаю в программах 3ds Max 2020+V-Ray Next +Corona 5, SketchUp 2019+ V-Ray Next, AutoCAD 2019, Revit 2019, Photoshop 2019, Lumion 9, After Effects 2019, Archicad 23. Моё портфолио http://3ddomkiev.wixsite.com/3ddom , Behance
Спасибо.10 days1000 UAH
10 days1000 UAH
Здравствуйте!Готов выполнить ваш заказ. Если понравится моя работа, готов на взаимовыгодное сотрудничество. Пишите, с удовольствием помогу вам.
1 day250 UAH
1 day250 UAH
Здравствуйте. Есть опыт в работе подобных изделий. Работаю в solidworks.
Готов сотрудничать. 1 day500 UAH
1 day500 UAH
Добрый день ! Готов к сотрудничеству и приступить прямо в эту минуту. Буду рад помочь Вам в решении ваших проблем. Обращайтесь в личное сообщение
1 day1000 RUB
1 day1000 RUB
Здравствуйте!Готов выполнить ваш заказ.Сделаю качественно и со вкусом)Учитываю все пожелания и до мельчайших деталей прорабатываю каждый проект.Имею образование графического дизайнера и хороший опыт. ———————————-
freelancer isn’t working in the service any longer
холоднотянутая сохраняя сегмент
ЗАПРОСИТЬ ЦЕНУ
Этот сегмент стопорного кольца для водопроводных труб высокого давления подчеркивает способность Rathbone Precision Metals, Inc. изготавливать более прочные, однородные и менее дорогие детали, чем механически обработанная версия. Одно из требований допуска для этого проекта предусматривало, что острота кончиков зубьев не должна превышать радиус 0,005 дюйма. Такая точная острота может быть достигнута только с использованием нашего процесса холодной вытяжки или дорогой вторичной обработки.
Наша команда опытных дизайнеров создала комбинацию процессов холодной прокатки и холодного волочения для достижения геометрических допусков 0,004 дюйма на готовом изделии.
Профили шириной 0,760 дюйма и высотой 0,445 дюйма, изготовленные из нержавеющей стали с покрытием Ra 125, проходят термообработку в соответствии с требованиями заказчика. Адиабатический процесс используется для точной резки профиля на различную длину с точностью ± 0,005″ и абсолютно без пропила — дальнейшая обработка не требуется.
Наша команда готова работать с вами над разработкой оснастки и производством ваших профилей, чтобы обеспечить рентабельное производство деталей любой сложности с использованием метода холодной штамповки.
Чтобы узнать больше об этом профиле, а также о других, или о том, как холоднотянутые и холоднокатаные профили могут быть полезны для вашего применения, свяжитесь с Rathbone сегодня.
Применение продукта
Этот удерживающий сегмент уплотнения трубы используется для уплотнения труб высокого давления.

Применяемые возможности/процессы
Разработка и производство штампов
Наши уникальные возможности позволяют нам поддерживать остроту зубьев до 0,005″. Высокопроизводительная адиабатическая резка и резка пилой
Преимущества для клиентов:
- 0,005″ Максимальная вершина зуба
- Adiabatic Sheer обеспечивает большой объем без потери пропила
- Термически обработанные сегменты
Габаритные размеры профиля
Ширина: 0,760 дюйма
Высота: 0,445 дюйма
Длина: 0,565 дюйма ± 0,005 дюйма
Допуски
Линия профиля шириной: 0,004″
Высота: 0,004″
Используемый материал
TrimRite® нержавеющая сталь
Макс. Материал Отделка
125 Ра
Расчетный вес профиля
0,6450 фунтов на фут
Промышленность
Водопроводная труба
Соответствие стандартам
Согласно спецификациям, предоставленным заказчиком
Описание продукта
Фиксирующий сегмент
TrimRite® является зарегистрированным товарным знаком CSR Holdings Inc.
, дочерней компании Carpenter Technology Corporation
Pipe Maker – CadQuant
Pipe Maker – это пакет проектирования, разработанный для проектирования длинномерных профилей для строительства канализационных, водопроводных и ливневых труб. Его метод графического проектирования и мгновенное обновление данных чертежа длинных сечений после изменений, а также простота использования делают его выдающимся преимуществом для высокопроизводительного создания профилей длинных сечений. Он используется для создания строительных чертежей и расчета объемов земляных работ.
Длинный участок для проектирования трубопроводов можно создать с помощью параметра проектирования, доступного в Pipe Maker. Данные о наземных длинных участках могут быть извлечены из данных тахометрической съемки с использованием Model Maker или могут быть введены вручную. Можно определить полную сеть проектируемой системы.
Программа содержит различные входные данные для проектирования водопроводных, ливневых и канализационных труб в режиме длинных сечений и в плане.
Земляные работы и количество труб рассчитываются в соответствии со спецификациями SABS 1200, а результаты могут быть выведены в файл или на принтер. Чертежи длинных сечений можно печатать непосредственно на плоттере или в различных форматах обмена данными САПР.
Что такое трубочник?
PIPE MAKER представляет собой мощный удобный программный пакет для проектирования длинных сечений канализационных, ливневых или водопроводных труб, создания чертежей длинных сечений и расчета объемов земляных работ. Он предлагает полный спектр возможностей, которые окажут огромную помощь специалистам, занимающимся проектированием и строительством трубопроводов. Например. геодезисты, подрядчики, горные инженеры, инженеры-строители и ландшафтные дизайнеры. Дружественные меню взаимодействуют с вами, чтобы функционировать как продолжение ваших собственных мыслей.
Как только пользователю будет известна концепция, использованная в дизайне, он сможет быстро и легко продуктивно использовать программу.
Как вводить данные?
Файлы ASCII с определенными структурами данных.
Данные получены из Model Maker.
Данные вводятся вручную и редактируются с помощью редактора данных.
Добавляйте данные графически на экране.
Как отображать данные?
Набор функций типа САПР позволяет вам полностью манипулировать экранным графиком. Графики можно передавать непосредственно на плоттер, в файл DXF, в другие форматы ASCII или в файл графика.
Извлечение информации
Участки могут быть От PIPE MAKER вы можете получить следующую информацию.
- Чертежи в разрезе.
- Распечатки различных компонентов дизайна и результатов.
- Преобразование конструкции трубы в формат DTM. Непосредственно на плоттер, в файл DXF, в другие форматы ASCII или в файл чертежа.
Терминология и концепции дизайна
- Выравнивание по горизонтали
- Длинная секция
- Параметры конструкции
- Расчеты земляных работ
Формат ввода
- Расстояние и высота в метрах.

- Углы в градусах, минутах, секундах, например. 18.4536
- Уклоны канализации и Ю/З в соотношении, например, 1:10.
- Уклон Вода в процентах.
- Расчетный расход канализации в литрах/эрф/день
- Скорость в метрах/сек
- Приток канализации в количестве домовых подключений
- Диаметр трубы в метрах
- Статический или динамический напор в метрах
Определение длинного участка земли
Профиль длинного участка земли можно ввести вручную или импортировать из файлов ASCI. Данными можно управлять с помощью удобного редактора или графически на экране. Чертеж длинного сечения может быть напечатан непосредственно на онлайн-плоттере, в файле печати HPGL или в различных файлах формата обмена чертежами САПР. В дополнение к профилю земли могут быть определены еще два профиля для представления профилей различных типов материалов, например горных пород или промежуточного материала.
Определение длинного сечения трубы
Данные профиля трубы позволяют рассчитать длину сечения канализационных, водопроводных и ливневых труб.
С базовым графическим определением контрольных точек, например: – люков, расстояний от колышков и перевернутых уровней, чертеж длинного участка будет завершен, показывая глубины, уклоны, потоки, пропускную способность и скорости для различных участков трубы. На основе базового профиля грунта и горизонтального выравнивания будет выполнено автоматическое проектирование с заданными пользователем параметрами проектирования, такими как глубина защитного слоя, пределы уклона и диаметры труб. Затем этот проект можно отредактировать на графическом экране с помощью функций редактирования, добавления и удаления люков, повторного выравнивания секций труб или размещения смотровых колодцев в соответствии с фиксированной длиной уклона. Компоновка результирующего строительного чертежа полностью определяется пользователем и позволяет определять заголовки на разных языках.
Модуль строк геометрического выравнивания (11) из Model Maker можно использовать для создания макета полной сети, которая будет спроектирована в Pipe Maker.

Готов взяться. Работаю в Tekla Structures, AutoCAD. Чертежи, узлы, спецификации готов предоставить.
Готов сотрудничать. 
